最新消息
公司簡介
公司簡介
代理與經銷品牌
技術資料
軸承介紹
一般軸承介紹
特殊環境使用
規格表
目錄下載
商品介紹
聯絡我們
(0)
商品介紹
首 頁
商品介紹
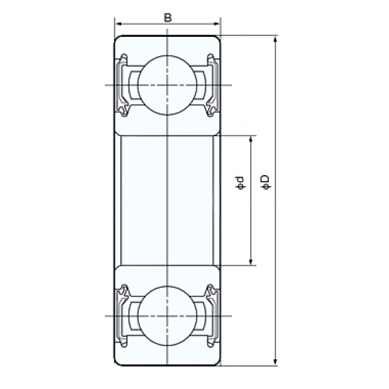
深溝球軸承
深溝球軸承
特點:
最具有代表性的滾動軸承,用途廣泛。
可承受徑向負荷與雙向軸向負荷。
是用於高速旋轉及要求低噪音、低震動的場合。
最大負荷型深溝球軸承的內、外圈設有一處裝球槽,可增加裝球數,提高徑向額定負荷。
主要用途:
汽車:後輪、變速箱、電器裝置
電器:通用電動機、家用電器
其他:儀表、內燃機、建築機械、鐵路機械、裝運機械、農業機械、各種產業機械
×
用戶登錄
帳 號
密 碼
驗證碼
立即登入
會員註冊
忘記密碼?